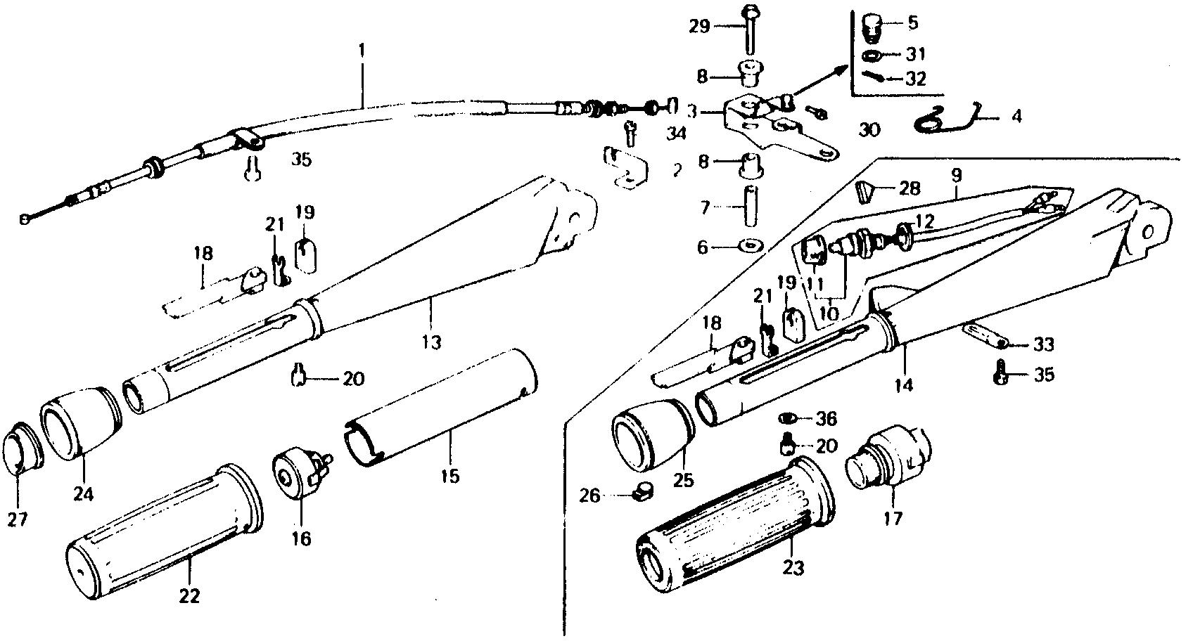
Mid - Large Outboard Engines (25 - 250hp) BF BF75 BF75C SA BF75S-1400001-1500000 HANDLEBAR@THROTTLE CABLE - Greenlee Marine

Ref No
Part Number
Description
Serial Range
Qty
Price

Ref No
1
Part Number
17910-881-000
Description
CABLE, THROTTLE
Serial Range
1000001 - 9999999

Ref No
2
Part Number
17921-881-000
Description
HOLDER, CABLE
Serial Range
1000001 - 9999999

Ref No
3
Part Number
17930-881-020
Description
ARM, THROTTLE
Serial Range
1000001 - 9999999

Ref No
4
Part Number
17932-881-000
Description
SPRING, THROTTLE ARM
Serial Range
1000001 - 9999999

Ref No
5
Part Number
17933-881-310
Description
HOLDER, STARTER ROD
Serial Range
1000001 - 9999999

Ref No
6
Part Number
17936-921-000
Description
WASHER, PIVOT
Serial Range
1205747 - 9999999
Qty
Price
$1.60

Ref No
7
Part Number
17937-881-000
Description
COLLAR, PIVOT (NOT AVAILABLE)
Serial Range
1000001 - 9999999

Ref No
8
Part Number
24621-921-010
Description
BUSH, SHAFT
Serial Range
1000001 - 9999999
Qty
Price
$6.64

Ref No
10
Part Number
36100-921-033
Description
SWITCH ASSY., ENGINE STOP
Serial Range
1503121 - 9999999

Ref No
11
Part Number
36101-881-003
Description
CAP, BUTTON
Serial Range
1503226 - 9999999

Ref No
14
Part Number
53101-881-020ZA
Description
HANDLEBAR *B9* (ATLANTIS BLUE)
Serial Range
1000001 - 9999999

Ref No
15
Part Number
53141-921-000
Description
PIPE, GRIP (NOT AVAILABLE)
Serial Range
1503226 - 9999999

Ref No
17
Part Number
53160-921-010
Description
NUT, GRIP FRICTION
Serial Range
1000001 - 9999999

Ref No
18
Part Number
53161-250-000
Description
HINGE, THROTTLE WIRE
Serial Range
1000001 - 9999999

Ref No
19
Part Number
53162-881-010
Description
HOLDER, THROTTLE CABLE
Serial Range
1000001 - 9999999

Ref No
20
Part Number
53163-921-000
Description
STOPPER, GRIP PIPE
Serial Range
1000001 - 9999999

Ref No
21
Part Number
53164-921-000
Description
STOPPER, CABLE (NOT AVAILABLE)
Serial Range
1000001 - 9999999

Ref No
23
Part Number
53165-881-010
Description
RUBBER, GRIP
Serial Range
1000001 - 9999999

Ref No
23
Part Number
53165-881-010
Description
RUBBER, GRIP
Serial Range
1000001 - 9999999

Ref No
25
Part Number
53166-881-A00
Description
COVER, GRIP PIPE
Serial Range
1000001 - 9999999

Ref No
26
Part Number
53167-881-000
Description
GROMMET, HANDLE COVER
Serial Range
1000001 - 9999999

Ref No
28
Part Number
87124-881-670
Description
MARK, HANDLE FOREIGN (NOT AVAILABLE)
Serial Range
1000001 - 9999999

Ref No
29
Part Number
90104-881-000
Description
BOLT, FLANGE (6X35) (NOT AVAILABLE)
Serial Range
1000001 - 9999999

Ref No
30
Part Number
90107-881-000
Description
BOLT, SLOTTED (4X6)
Serial Range
1000001 - 9999999
Qty
Price
$4.28

Ref No
31
Part Number
90504-921-010
Description
WASHER, PLAIN (6MM)
Serial Range
1000001 - 9999999
Qty
Price
$1.68

Ref No
32
Part Number
90756-881-000
Description
PIN, SPLIT
Serial Range
1205747 - 9999999

Ref No
32
Part Number
90759-ZV1-000
Description
PIN, SPLIT (2.0)
Serial Range
1205747 - 9999999
Qty
Price
$1.88

Ref No
33
Part Number
91403-881-000
Description
CLIP B, CORD
Serial Range
1205747 - 9999999
Qty
Price
$6.86

Ref No
34
Part Number
92101-06012-0B
Description
BOLT, HEX. (6X12)
Serial Range
1000001 - 9999999
Qty
Price
$1.42

Ref No
35
Part Number
92101-06012-4J
Description
BOLT, HEX. (6X12)
Serial Range
1000001 - 9999999
Qty
Price
$2.50

Ref No
36
Part Number
94101-05200
Description
WASHER, PLAIN (5MM)
Serial Range
1000001 - 9999999
Qty
Price
$1.50